Stainless Steel 6200 Series Radial Ball Bearings Specification | ZGBK®
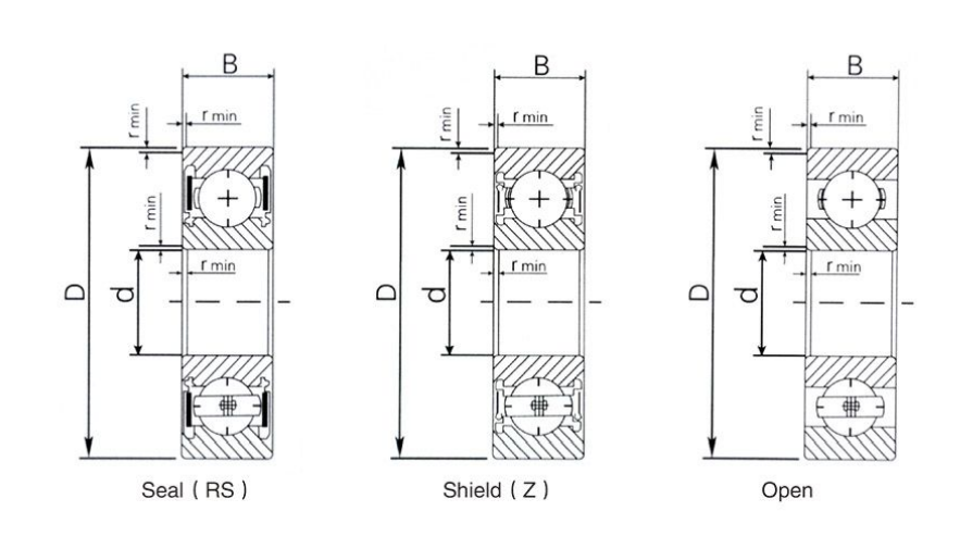
| Bearing NO. | d (mm) | D (mm) | B (mm) | r min | Ball NO. | Ball Size | Cr (KN) | Cor (KN) | Grease | Масло | Weight |
|---|---|---|---|---|---|---|---|---|---|---|---|
| S623 | 3 | 10 | 4 | 0.2 | 7 | 1.588 | 0.5 | 0.2156 | 38000 | 48000 | 0.0015 |
| S624 | 4 | 13 | 5 | 0.3 | 6 | 2.381 | 1.15 | 0.4 | 35000 | 45000 | 0.0032 |
| S625 | 5 | 16 | 5 | 0.3 | 6 | 2.381 | 1.88 | 0.68 | 32000 | 40000 | 0.0048 |
| S626 | 6 | 19 | 6 | 0.3 | 6 | 3.969 | 2.6 | 1.05 | 28000 | 36000 | 0.0075 |
| S627 | 7 | 22 | 7 | 0.3 | 7 | 3.969 | 3.28 | 1.35 | 25000 | 34000 | 0.012 |
| S628 | 8 | 24 | 8 | 0.3 | 7 | 3.969 | 3.35 | 1.4 | 24000 | 32000 | 0.017 |
| S629 | 9 | 26 | 8 | 0.3 | 7 | 4.5 | 4.45 | 1.95 | 22000 | 30000 | 0.019 |
| S6200 | 10 | 30 | 9 | 0.6 | 8 | 4.763 | 5.1 | 2.38 | 19000 | 26000 | 0.028 |
| S6201 | 12 | 32 | 10 | 0.6 | 7 | 5.953 | 6.82 | 3.05 | 18000 | 24000 | 0.034 |
| S6202 | 15 | 35 | 11 | 0.6 | 8 | 5.953 | 7.65 | 3.72 | 17000 | 22000 | 0.043 |
| S6203 | 17 | 40 | 12 | 0.6 | 8 | 6.747 | 9.58 | 4.47 | 15000 | 20000 | 0.062 |
| S6204 | 20 | 47 | 14 | 1 | 8 | 7.938 | 9.87 | 6.18 | 14000 | 18000 | 0.102 |
| S6205 | 25 | 52 | 15 | 1.1 | 9 | 7.938 | 10.75 | 10.02 | 12000 | 16000 | 0.12 |
| S6206 | 30 | 62 | 16 | 1.5 | 9 | 9.525 | 14.96 | 13.65 | 9500 | 13000 | 0.19 |
| S6207 | 35 | 72 | 17 | 2 | 9 | 11.112 | 19.74 | 15.92 | 8500 | 11000 | 0.27 |
| S6208 | 40 | 80 | 18 | 2 | 9 | 12 | 22.7 | 17.7 | 8000 | 10000 | 0.37 |
| S6209 | 45 | 85 | 19 | 2 | 10 | 12 | 24.35 | 19.82 | 7000 | 9000 | 0.38 |
| S6210 | 50 | 90 | 20 | 2 | 10 | 12.7 | 26.97 | 23.09 | 5700 | 8500 | 0.45 |
Precision Life Calculator
Click any table row to auto-fill data.
Жизнь L10: 10⁶ об/мин
L10h Life: часы

